安徽威帆传动机械有限公司-产品资料
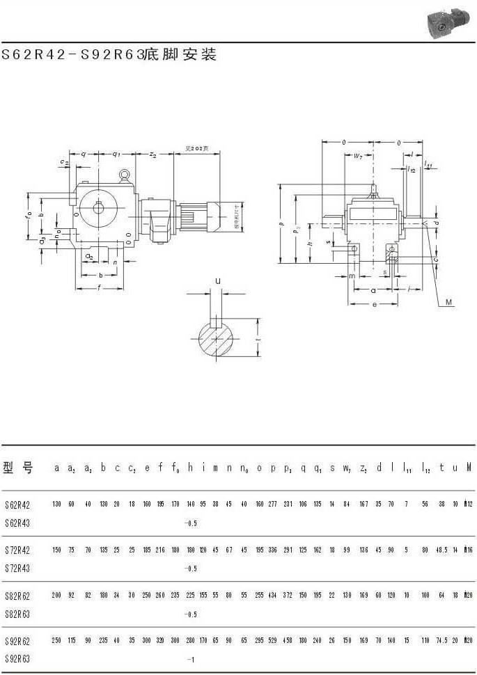
SA62R42-SA96R63底脚安装
上一页
下一页
上一页
下一页
Copyright © 2007 - 2026 All Rights Reserved 安徽威帆传动 www.hf-hj.com